現場儀表的附件很多,大多屬于標準加工件,可以采購使用。在此僅介紹用途很廣的壓力表接頭及冷凝圈的制作方法。但有一些企業的壓力表就直接安裝在閥門上,或安裝在固定接頭上,這樣安裝的壓力表根本沒有調整方向的余地,在安裝時為了兼顧壓力表表面的方向,只有依靠在儀表接頭上纏繞生料帶或調整墊片的數量來解決。而有的企業由于對環形彎管的用量不大,采購時買少了不劃算,買多了又用不完,如果能自行制作,是很方便的。現介紹制作方法。
壓力表接頭可按圖1加工,該接頭比較通用,適合大多數彈簧管壓力表使用。在使用時一定要放墊片。墊片材質要根據所測量的介質來定,如普通介質、壓力又不太高時可用石棉墊片,壓力較高用銅墊片,有腐蝕的介質可用鋁或四氟墊片。用這樣的活接頭壓力表的表面可以任意改變方向后再上緊。

圖1 壓力表接頭加工圖
2、環形彎管的制作
測量蒸汽或介質溫度超過85℃的場合都應當使用冷凝圈,以保護壓力表。常用的冷凝圈如圖2所示。自己制作冷凝圈,必須先做一個模具,找一截Ф86的鋼管及一小截4分管,都用車床車平整,沒有同規格鋼管時可用相近的來代替,只是制作出來的圓環與圖紙尺寸有點出入,但并不影響使用。再準備一塊350mm×250mm左右的鋼板,一截40mm×40mm長250mm左右的角鋼。按圖3焊接成制作模具,焊接大、小兩截鋼管時,要在鋼管的里邊焊,這樣外面是平整的。把模具固定在臺虎鉗上,把Ф14×2mm的無縫鋼管下好料,就可進行彎制工作了。
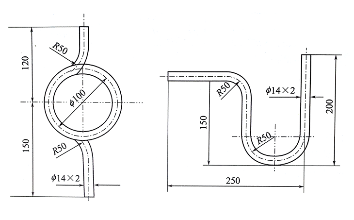
圖2 壓力表U形彎管和冷凝圈尺寸

圖3 壓力表冷凝圈制作模具示意圖
①壓力表U形彎管的制作
先找一截長度合適的鋼管,用來套在Ф14的無縫鋼管上,其作用是用來彎管時助力。然后按圖4中的1-3步驟進行操作。在彎制過程中,套在Ф14管上的助力管在彎制的時候,可多接近要彎的部位,這樣可使作力點處變形,其他部位不變形。彎管時用力要均勻,并要保持平行,不要上、下晃動,隨著管子的變形,助力管要慢慢向后退出,先按第1、2步驟彎制出U形彎,再按第3步驟彎制直角彎,最后檢查下兩個彎的平行度,必要時進行校正。

圖4 壓力表U形彎管制作步驟圖
②壓力表冷凝圈的制作
仍需要用一截長度合適的鋼管套在Ф14的無縫鋼管上做助力。然后按圖4中的1-4步驟進行操作。操作方法基本同U形彎一樣,第1步驟先彎出一個直角彎,然后把其反轉一面如步驟2的虛線所示,把助力管套入進行彎制,隨著管子的變形,助力管邊彎邊移動慢慢向后退出,一直彎到第3步驟的環形狀,彎曲過程中用力要均勻,但不要保持平行要稍微向下用力,這樣彎出來的環形將緊緊靠在一起,比較美觀。然后把環形彎取出,反轉一面再套回模具,如第4步驟所示,按箭頭方向彎制最后一個彎,然后進行平行度的校正,一個環形彎管就制作好了。對于用于垂直管道的環形彎管,可以在下料時把長度考慮好,制作時再彎上一個直角彎就行了。

圖5 壓力表冷凝圈制作示意圖
推薦閱讀
自制手工彎管器,導壓管穿線管冷彎不求人
