導軌式溫度變送器亮點
◆電源、報警狀態指示
◆溫度傳感器輸入類型(分度號)、輸出信號、量程范圍可組態設置
◆可選配帶浪涌保護、RS485
◆輸入/輸出/電源/通道四隔離
◆高精度(熱電偶溫度變送器精度0.1%,熱電阻溫度變送器精度0.2%)
◆高穩定性和高可靠性
◆極低溫度漂移
◆堅固耐用的設計,導軌安裝
◆低功耗設計,可高密度安裝
最常用導軌式溫度變送器型號
◆一入一出導軌式溫度變送器:
YR9031A-□-GN-N、YR9031A-□-GN-LP
◆一入二出導軌式溫度變送器:
YR9031A-□-GG-N、YR9031A-□-GG-LP、YR9031A-□-GR-N
◆一入一出溫度安全柵:
YR9031A-EX-□-GN-N、YR9031A-EX-□-GN-LP
◆一入二出溫度安全柵:
YR9031A-EX-□-GG-N、YR9031A-EX-□-GG-LP、YR9031A-EX-□-GR-N


導軌式溫度變送器技術指標
◆輸入阻抗:熱電偶輸入時≥10kΩ
◆允許輸出負載能力:0-500Ω
◆冷端補償精度:±1℃(-20~75℃)
◆溫度變送器響應時間:<0.05s(0-90%)(TYP)
◆波紋:<10mVrms
◆精度:熱電偶溫度變送器為0.1%的終值,熱電阻溫度變送器為0.2%的終值
◆溫度系數:50ppm/K的測量值/100Ω負載
◆耐壓強度:500VDC時100MΩ以上,2500VAC/分鐘
◆電磁兼容:符合GB/T1826工業設備應用要求(等同IEC 61326-1)
◆工作溫度:-20~+70℃
◆工作濕度:小于90%RH(無凝結水)
◆電源:DC24V±10%
◆功耗:一入一出溫度變送器<1W;一入二出溫度變送器<1.8W
◆外殼材料:PC+ABS阻燃
◆重量:導軌式溫度變送器約120g;安全柵約150g
◆YR9031A模塊為超薄外形,底座+本體結構,寬度僅13.3mm。產品外形尺寸:寬13.3×高113×深121mm
◆質保期:工業級60個月;軍品級8年
浪涌保護特性(帶-LP的溫度變送器型號)
◆最高連續工作電壓:30VDC
◆額定放電電流In:5kA(線對地、線對線)
◆依據標準:GB/T18802.21-2004
浪涌保護接線注意事項
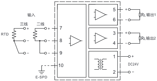
1、導軌式溫度變送器帶浪涌保護時,導軌安裝溫度變送器YR9031A的10腳端子必須接地線。
2、采用可拆分接線端子,方便使用。
3、導線采用截面積1.0-2.5mm2。
4、導線裸露長度約8mm,由M3螺釘鎖緊。
導軌式溫度變送器選型表
YR9031A-①-②③-④-⑤/⑥
YR9031A-EX-①-②③-④-⑤/⑥安全柵
①輸入信號類型/專用編程線切換分度號和量程
[P]:Pt100熱電阻
[C]:Cu50熱電阻
[B]:B分度號熱電偶
[S]:S分度號熱電偶
[K]:K分度號熱電偶
[E]:E分度號熱電偶
[T]:T分度號熱電偶
[J]:J分度號熱電偶
[N]:N分度號熱電偶
②導軌式溫度變送器第一路輸出(OUT1)
[G]:直流4-20mA輸出,輸出阻抗≤500Ω,標準出廠配置
[A]:直流-1~5V,輸出阻抗≥10kΩ
[B]:直流0-5V,輸出阻抗≥10kΩ
[C]:直流-0-10V,輸出阻抗≥10kΩ
[D]:直流1-5V,輸出阻抗≥10kΩ
[E]:直流0-10mA,輸出阻抗≤1kΩ
[F]:直流0-20mA,輸出阻抗≤500Ω
③導軌式溫度變送器第二路輸出(OUT2)
[N]:無第二路輸出(一入一出溫度變送器和RS485通訊時必選項)
[G]:直流4-20mA輸出,輸出阻抗≤500Ω,標準出廠配置
[A]:直流-1~5V,輸出阻抗≥10kΩ
[B]:直流0-5V,輸出阻抗≥10kΩ
[C]:直流-0-10V,輸出阻抗≥10kΩ
[D]:直流1-5V,輸出阻抗≥10kΩ
[E]:直流0-10mA,輸出阻抗≤1kΩ
[F]:直流0-20mA,輸出阻抗≤500Ω
[R]:RS485通信接口(支持MODBUS RTU協議)
④輸入帶浪涌保護
[N]:不帶浪涌保護
[LP]:浪涌保護
⑤導軌式溫度變送器量程下限
[*]:數字
⑥導軌式溫度變送器量程上限
[*]:數字
導軌式溫度變送器接線圖
①熱電偶溫度變送器接線圖

②熱電阻溫度變送器接線圖

導軌式溫度變送器價格
昌暉儀表是高性能導軌式溫度變送器(安全柵)生產工廠,導軌式溫度變送器(安全柵)價格實惠,與模擬型溫度變送器價格接近,期待您的光臨!不同信號的導軌式溫度變送器價格請與網站客服或公司市場部聯系(電話:0871-65127691)。
