某化工廠在生產中使用有大量酸區地槽酸泵,并用液位控制器來控制其啟、停。因此選用了先進的、昂貴的(一般2.5-3.5萬元一套)雷達液位計、超聲波液位計使用,但是由于磷酸、硫酸等的強腐蝕性,使用并不理想,需經常對液位計進行清洗、維護,有時一天需要兩次以上的維修、處理,致使維修費用高、維護工作量大。
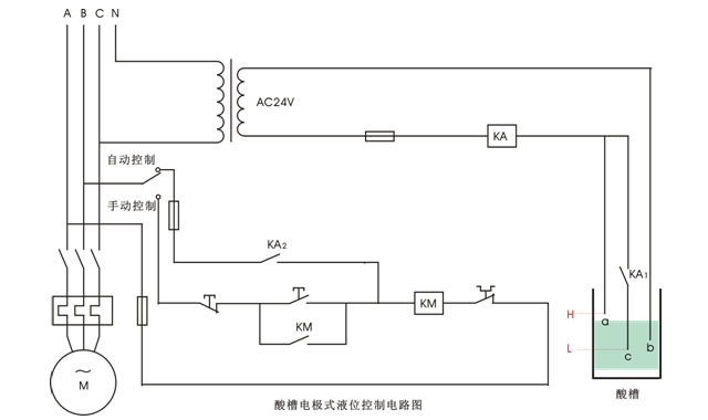
鑒于以上原因,該廠針對酸液的特點,制作了電極式液位控制器來取代原來的雷達、超聲波液位計。制作的電極式液位控制器,只是一個最簡單的繼電器電路,如圖示。其工作原理就是利用酸液的導電性,通過不銹鋼電極被酸液浸泡導電使繼電器動作,來控制相關的電路,達到液位自動控制的目的。圖中a、b、c為三根不銹鋼電極,當地槽內酸液上升至H處時a、b導通,繼電器K動作,其常開觸點K1閉合,常開觸點K2閉合接通了酸泵的接觸器M電源,酸泵開始抽酸液到酸儲槽,當地槽中的酸液下降,低于H時a、b斷開,但由于b、C還泡在酸液中處于導通,酸泵仍在運行,直到地槽中的酸液降至最低液位L以下,酸泵才停止工作,如此循環工作。小小的繼電器在這里發揮了重要的作用。經三年多的使用,實踐證明,其性能穩定、控制可靠、維護方便、維修簡單,一套就可節約費用12萬元。該廠使用了8套,一年節約的資金就達到96萬元。
酸槽電極式液位控制電路可以說,常規繼電器在生產中仍然大有用武之地。掌握一定的應用知識還是很有必要的。
怎樣對繼電器進行選型?
從上面舉例的原理知酸液導電,只要電極被酸液泡住,繼電器K即可吸合,選一個AC24V的中間繼電器就行了,真是這么簡單嗎?并不是這樣!使用中最初選用了線圈電壓為AC24V的JZ7-44型繼電器,但使用中并不理想,表現為吸合不穩定、線圈發熱嚴重。經觀察、測試41%-46%濃度的磷酸,其電阻值在65-95Ω之間,必須選擇交流阻抗大、吸合及保持電流小的繼電器才能保證穩定工作,最后選定了線圈電壓為AC24V的HH54P型繼電器。從這可以看出繼電器選擇的重要性。
要用好繼電器,正確選型是很重要的,首先必須對被控對象的性質、特點和使用要求有透徹了解,并進行周密考慮。對所選繼電器的原理、用途、技術參數、結構特點、規格型號要掌握和分析。在此基礎上應根據項目實際情況和具體條件,來正確選擇繼電器。其次還應考慮繼電器的使用條件問題,如環境溫度、濕度的高低及變化范圍,因為環境溫度、濕度的變化會使繼電器的零件發生變形,密封、絕緣參數都會改變,從而導致繼電器的可靠性下降。最后還應考慮繼電器的安裝環境,如腐蝕性氣體、振動、沖擊等因素的影響,腐蝕對繼電器的線圈、電觸點、外殼等都會造成損壞,而振動、沖擊會使繼電器誤動作。
對用于高海拔地區的繼電器,還必須考慮其絕緣性和斷流容量的變化,資料顯示海拔每升高1000m絕緣水平就要降低10%,海拔增高時空氣密度也下降了,所以還應考慮繼電器的散熱問題。
相關閱讀
如何提高繼電器可靠性
一文弄懂電磁繼電器
用RC消火花電路消除繼電器觸點動作時產生的火花
