1、電機、變壓器和電壓互感器在新建安裝、搬遷地址或大修以后,以及接線組別和內連線有過更動時。
2、電源線路新建或變化走向,電纜線路接線有過更動時。
3、發電機組的電壓互感器新投入或檢修后,同期裝置電壓回路有更改、變動、拆接以及更換二次電壓回路電纜后,為防止接線組別出錯或發生接線問題,可進行定相。最近國產化DCS改造就屬于第三種。
4、與正常升壓恢復措施一樣,但需要置位。

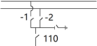
首先,需要合上母線測刀閘-1,并將其置分閘位,(在DCS內,將110開關解除同期合閘邏輯110-1刀閘狀態置分位)
其次,將主開關110至分閘位置(DCS內起勵升壓邏輯,將起勵升壓邏輯內110開關狀態置分位)。
操作步驟:合上滅磁開關FMK,投入發變組同期解除按鈕,合上主開關110,起勵建壓,緩慢升至額定電壓20KV,實際狀態-1刀閘在合位,110開關在合閘位置,這樣母線帶電,然后在檢查二次的電壓、電流時候和母線一次的電壓、電流等參數是否匹配。
檢驗母線電壓和同期電壓回路進行核對,確定同期回路電壓相位正確。檢查A、B保護柜內電壓回路測量值相位、電壓值顯示正確,同相對比故障錄波器及變送器屏電壓回路顯示正確。最后進行降壓,斷開110、FMK。
作者: 電廠點滴
相關閱讀
◆簡單了解相序保護器工作原理及作用
◆多功能電力儀表校驗方法和基本流程
