
乍看到這個圖,可以看做一個R、L串聯電路,因為呈感性,故在相位上電壓超前電流φ角。
電壓與電流同相,電源向電機提供電能,電壓與電流反向,電機則向電源反饋電能。電機運行,是電源與電機之間不間斷的能量交換,而電機的功率,反映的則是電源向電機提供電能的有功分量。

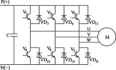
變頻器的IGBT是單向元件,只能單向導通,為了給電機與電源提供一個反饋通路,故在每只IGBT上反并了一個二極管,只不過,反饋的電能用于對電容充電。如下圖:

IGBT的控制信號為電壓信號UGE,通常為±15V,絕緣柵極與發射極之間的阻抗很大,信號電流與功率都比較小,這屬于控制電路的特點。
IGBT的主體部分要承受高電壓和大電流,相當于接觸器的主電路,受控制信號控制,實現接通與關斷,不過,頻率要比接觸器可高多了。
變頻器所用的IGBT已經模塊化,所以,常稱之為逆變模塊。比如下圖中的a圖,為雙管模塊,b圖則為六管模塊。

一臺變頻器若采用雙管模塊,則需要三塊,若采用六管模塊,有一塊就夠了。不管是雙管,還是六管,若變頻器在運行中有一塊出現擊穿,就會直接導致正負極短路,若在交替導通過程中,原來導通的IGBT尚未完全截止,而另一個IGBT又開始導通,也必將造成正負極“直通”,“嘭”的一聲響,指定會非常嚇人。這就是傳說中的“變頻器炸機”。

IGBT的每次導通截止,都會消耗一定能量,載波頻率越高,IGBT開關次數就多,消耗的能量也就越大,產生的熱量也就會越多,表現出來的,就是IGBT溫度升高,而半導體功率器件最害怕的就是溫度,溫度一旦過高,就容易導致其擊穿,所以,在變頻器逆變模塊IGBT都會安裝專用的散熱風機給其散熱。
可見,散熱風機該是多么的重要!該散熱風機為高速風機,一般為DC24V,可溫控開啟,可手動開啟,屬于易損件,需要定期更換。
IGBT溫度過高,會先報警,后停機,目的也是保護半導體器件擊穿。目前,所使用的工業級IGBT,比如英飛凌IGBT4,其結溫最高溫度為125℃,超過該值,就會導致晶體管損壞。所以,變頻器溫度高跳機通常控制為100℃上下。
變頻器運行時,IGBT溫度是需要重點關注的參數,它能反映運行電流的大小、散熱風機的好壞及變頻器載波頻率的高低,對正確判斷變頻器的運行狀況意義重大。
變頻器使用已經非常普遍,但仍屬于價格比較貴的設備,對它的運行狀況要格外重視,一旦出現問題,帶來的問題也比較麻煩。相比于其他板件,IGBT出現問題的概率還比較高,損失也會比較大。
