隨著科學技術的快速發展和人們生活水平的提高,人們對美好生活的向往促使夜景照明的發展突飛猛進,許多城市都進行了城市照明的“亮化”“美化”“泛光”“燈光工程”等不同名稱的照明建設,2010年5月中華人民共和國住房和城鄉建設部令第4號《城市照明管理規定》對城市照明進行了定義,即城市照明是指在城市規劃區內城市道路、隧道、廣場、公園、公共綠地、名勝古跡以及其他建(構)筑物的功能照明或者景觀照明。其中,功能照明是指通過人工光以保障人們出行和戶外活動安全為目的的照明;景觀照明是指在戶外通過人工光以裝飾和造景為目的的照明。由于城市照明不僅能夠反映經濟發展程度,還能促進旅游,提升城市形象,特別是大量表演性燈光的出現,燈光秀大行其道,人們更加重視照明效果,但往往忽視了電氣安全問題,導致人身電擊和電氣火災事故頻頻發生,筆者就此談談城市功能照明和城市景觀照明電氣安全的看法。
城市功能照明
從城市照明的定義中可看到,城市照明包括城市功能照明和城市景觀照明,城市功能照明主要由路燈和庭院燈組成,路燈和庭院燈的燈桿目前基本上都是金屬桿體,又位于街道側,與人接觸的可能性很大,在陰雨天出現很多人身電擊事故,基本都是路燈桿帶電引起的。
路燈的目的是保障人們出行和戶外活動安全,強調照亮路面,保障行車和人行安全,而電氣安全沒有得到應有重視,CJJ45-2015《城市道路照明設計標準》第6.1.8條規定:“道路照明配電系統的接地形式應采用T T系統或TN-S系統,并應符合現行國家標準《低壓配電設計規范》GB 50054的相關規定。當采用剩余電流保護裝置時,還應滿足現行國家標準《剩余電流動作保護裝置安裝和運行》GB13955的相關要求。”標準規定了可以采用TT或TN接地系統,由于TT接地系統通常采用剩余電流保護器作故障防護,而GB/T13955-2017《剩余電流動作保護裝置安裝和運行》規定的剩余電流保護器剩余電流動作電流為30mA,戶外場所線路較長,線路本身就固有泄漏電流,很容易造成漏電誤動,引起路燈滅燈,而亮燈率是各地政府的考核指標,并且我國的路燈一直沿用TN系統,一些設計部門和路燈管理部門為保證亮燈率,減少誤動作,也不主張采用TT系統。
眾所周知,采用TN系統供電,由于所有燈具的金屬外殼都是通過PE線或PEN線互相連通的,TN系統采用斷路器或熔斷器作過電流保護時,特別是對于道路照明這種較長的線路,末端單相接地故障電流較小,斷路器或熔斷器很難兼作接地故障保護,當某一臺燈具發生接地故障時,其首端斷路器拒動時,其故障電壓可沿PE線或PEN線傳至其他燈具上,在戶外因無等電位聯結易導致電擊危險,所以,路燈導致人身電擊致使人員死亡事故頻發。
另外,CJJ89-2012《城市道路照明工程施工及驗收規程》有如下條文:
7.2.2 當采用接零保護時,單相開關應裝在相線上,零線上嚴禁裝設開關或熔斷器。
7.2.3 道路照明配電系統宜選用TN-S接地制式,整個系統的中性線(N)應與保護線(PE)分開,在始端PE線與變壓器中性點(N)連接,PE線與每根路燈鋼桿接地螺栓可靠連接,在線路分支、末端及中間適當位置處做重復接地形成聯網。
7.2.4 T T接地制式中工作接地和保護接地分開獨立設置,保護接地宜采用聯網TT系統,獨立的PE接地線與每根路燈鋼桿接地螺栓可靠連接,但配電系統必須安裝漏電保護裝置。
條文中“接零保護”屬于過時術語,容易引起誤導,而推薦采用TN - S系統,是無法避免一處漏電、全線帶電的。而7.2.4條的“保護接地宜采用聯網TT系統,獨立的PE接地線與每根路燈鋼桿接地螺栓可靠連接”也會導致一處漏電、全線帶電的可能,這樣的驗收條文不僅沒有起到安全作用,反而誤導了正確做法,是值得商榷的。
城市景觀照明
城市景觀照明較多涉及城市藝術內涵,目前尚沒有國家標準,而行業標準JGJ/T163-2008《城市夜景照明設計規范》還是2008年的版本,涉及電氣安全的內容較少。城市景觀照明形式多樣,所用燈具有草坪燈、埋地燈,安裝在水池內的水下燈具,也有安裝在建筑物本體上的投光燈、線條燈及建筑物幕墻上的點、線型燈具。人員能夠進入的水池,是電擊死亡事故頻發的區域,而安裝于建筑物本體上的燈具,人員接觸的可能性較小,火災危險性是主要矛盾,實際也發生過幕墻火災,是LED線條燈驅動電源引起的。
電氣安全措施
1、路燈、庭院燈的電氣安全措施
路燈、庭院燈配電系統接地型式優選TT接地系統,電源端的工作接地與用電設備端的保護接地是沒有聯系的,每處路燈的燈桿基礎作自然接地極,接地極之間互相獨立,一處燈桿帶電不會串到別的燈桿上,此時必須采用剩余電流斷路器保護,起到短路、過負荷和接地故障保護作用,因為接地故障電流更小,只有剩余電流保護才能起作用,但為了避免剩余電流誤動引起的無故滅燈,可以采用多級剩余電流保護,上下級配合,干線采用帶延時的300mA及以上的剩余動作電流,每個燈桿分支處采用30mA末端剩余電流斷路器保護,見圖1。該做法既可以避免干線漏電流引起的誤動,每處燈桿處采用30mA的剩余電流保護,又可以保證人身電擊危險。

圖1 多級剩余電流保護的TT系統
2、草坪燈、埋地燈的電氣安全措施
草坪燈、埋地燈等每套燈基礎較小,其基礎不可能作為自然接地體使用,可采用局部TTT系統,電源引出線在第一套燈具處做接地后引出PE線與后續燈具金屬外殼連接,見圖2。配電采用剩余電流保護器作接地故障保護,為保障安全,每個分支回路額定剩余動作電流仍應選擇30mA。

圖2 局部TT系統
對于分支回路采用額定剩余動作電流30mA的剩余電流斷路器,也存在線路固有泄露電流引起誤動作問題,解決此種情況的安全問題還可以采用如下兩種辦法:
①采用Ⅱ類設備或等效的絕緣。對于環境惡劣、不易保證安全的情況下,可以采用Ⅱ類設備或等效的絕緣,此時不應設置PE線,且燈具的可導電部分不應有意地接地。如果布線系統的金屬外層是用絕緣材料和燈具的導電部分隔開,采用Ⅱ類燈具,就可認為已滿足Ⅱ類設備的保護要求。室外燈具按防電擊措施分類見表1。

②采用Ⅲ類燈具,用安全特低電壓供電,戶外一般場所,采用交流有效值≤50V,直流≤120V;潮濕等特殊場所,采用交流有效值≤25V,直流≤60V的電壓等級。
3、建筑物本體上安裝的燈具的電氣安全措施
建筑物本體上安裝的燈具采用交流供電,并直接由該建筑物內部電源供電的照明裝置,每個燈具設單獨的接地極也不可能,因此不采用T T接地系統,配電系統的接地型式應與該建筑物的接地型式一致,目前建筑物內部配電系統接地型式一般采用TN-S系統,燈具安裝在室外2.5m以上時,人員接觸的可能性較小,防火是主要矛盾,因此,可在每個分支回路采用額定剩余動作電流300mA的剩余電流斷路器作故障防護,既能減少誤動,又能起到防火作用。
另外,如果考慮人身電擊防護,建筑外墻上的燈具采用直流 ≤120V的安全特低電壓供電,特別對于一些玻璃幕墻,采用直流48V LED線條燈或點光源,技術十分成熟,既安全又節能。
4、水下燈具的的電氣安全措施
室外水景照明越來越多,由于人體在潮濕場所,阻抗下降,安全要求更高。水景一般有嬉水池、瀑布、噴水池等。
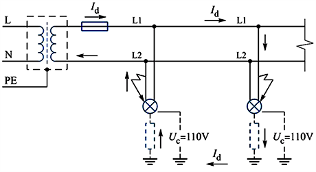
如果水下照明采用交流220V電壓供電,水下設備要求采用隔離變壓器供電,而隔離變壓器供電要求是一臺變壓器給一個設備供電,因為燈具數量較多,采用一臺隔離變壓器只給一臺照明設備供電既不可能也不現實。如果一臺隔離變壓器給多臺照明設備供電(如圖3所示)有兩臺照明器回路的不同導線發生接地故障,兩臺照明器自然接地電阻假設相等均為Ra,則故障電流為Id=Uo/(Ra+Ra)=220/2Ra=110/Ra,其中一臺照明器的接觸電壓Uc=Id×Ra=110V,如果Ra較大,則Id較小,回路首端過流保護器不動作,而接觸電壓遠大于接觸電壓限值UL,可以引起電擊事故。

圖3 隔離變壓器給多臺照明設備供電(無等電位聯結)
為提高安全性,當一臺隔離變壓器給多臺照明設備供電時,實施不接地的等電位聯結,如圖4所示,將所有照明器的金屬外殼、金屬支架用與回路導線截面相同的導線連通,這樣在故障時,故障回路形成金屬性短路,回路首端的過流保護器可切斷電源,避免發生電擊事故。

圖4 隔離變壓器給多臺照明設備供電(不接地的等電位聯結)
但對于人員能夠進入的水池,如果保護電器拒動,電擊危險仍是難以消除的,由于實施的不接地的等電位聯結的金屬導體又把各個燈具的金屬外殼連在一起,也會引起一處帶電、全線燈具都帶電的情況,因此,國際電工委員會標準把人員能夠進入的水池的水下燈具的供電按游泳池處理,要求燈具電壓采用交流不大于12V或直流不大于30V的電壓等級。
5、低壓直流供電的的電氣安全措施
目前,LED燈具已占主導地位,特別是用在景觀照明上,其節能、易控、變色容易,容易實現各種藝術效果,而其低壓直流驅動在用電安全上更具有優越性。安全特低電壓為直流120V以下,如果路燈、庭院燈、草坪燈等都采用直流120V以下電壓供電,就徹底解決了安全隱患。另外,LED本身特性是直流驅動,直接采用直流供電,省去了過多AC/DC變換,直流供電只有兩根導線,也省去了接地導體,不僅提高了安全性,也有較好經濟性。
接地及接地電阻
關于城市照明的接地和接地電阻,在CJJ89-2012《城市道路照明工程施工及驗收規程》中有下述條文:
7.2.5 道路照明配電系統中,采用TN或T T系統接零和接地保護,PE線與燈桿、配電箱等金屬設備連接成網,在任一地點的接地電阻不應大于4Ω。
7.2.6 在配電線路的分支、末端及中間適當位置做重復接地并形成聯網,其重復接地電阻不應大于10Ω,系統接地電阻不應大于4Ω。
7.2.7 采用TT系統接地保護,沒有采用PE線連接成網的燈桿、配電箱等,其獨立接地電阻不應大干4Ω。
該標準規定不論采用何種接地系統,統一要求接地電阻“不應大于4Ω”,既沒有理論依據,也是很難實現的,特別是對于山區或土壤電阻率較高的地區,實現每個燈桿的接地電阻“不應大于4Ω”,會付出很大的經濟代價,而實際上也是沒有必要的。
根據GB/T16895.21-2011《低壓電氣裝置 第4-41部分:安全防護 電擊防護》,TT系統故障防護,其保護電器的動作特性應符合下式要求:
Ra×IΔn ≤50V
式中:Ra為外露可導電部分接地電阻,Ω;IΔn為RCD的額定剩余動作電流,A。
對于室外燈具采用TT接地系統型式,末端回路采用剩余電流保護器保護,其額定漏電動作電流為30mA,則Ia=0.03A,一般場所內UL=50V,Ra≤UL/Ia=50/0.03=1667Ω,同時可觸及的外露可導電部分和外部導電部分之間的電阻在此種情況下小于1667Ω時,即可滿足安全要求。如果是潮濕場所UL=25V,則Ra≤UL/Ia=25/0.03=833Ω。電源側額定漏電動作電流為300mA,其接地電阻Ra≤ UL/Ia=50/0.3=167Ω。
由此可見,對于TT接地系統,一般情況下,對燈桿處的接地電阻值小于1667Ω都是允許的,電源側接地電阻也可以在167Ω以下,接地電阻值不需要標準規定的那么小是能夠保障安全的,并且接地電阻采用燈桿基礎作為自然接地體就很容易做到,既經濟又可靠。
結語
注重城市美化,應以人們的安全為前提,而有些室外照明標準、規范亟需修訂完善,城市照明配電系統接地型式應優先合理采用TT接地系統,隨著LED照明技術的發展,低壓直流更有利于安全。總之,城市功能照明和城市景觀照明電氣安全與每個人休戚相關,電工基礎欄目分享的這些電氣安全內容是很重要的方面,應當引起足夠重視。
作者:徐華
