這家醫院為二級醫院,且院方已經確認這些設備都是用于診斷,不用于治療。那么根據JGJ312-2013《醫療建筑電氣設計規范 》續表4.2.1,二級醫院影像科診斷用電設備的負荷等級為二級,再根據續表3.0.2,影像科設備的自動恢復供電時間要求≤15s。
從以上兩個要求出發,我們分析一下院方要求的單回路供電是否滿足規范要求。
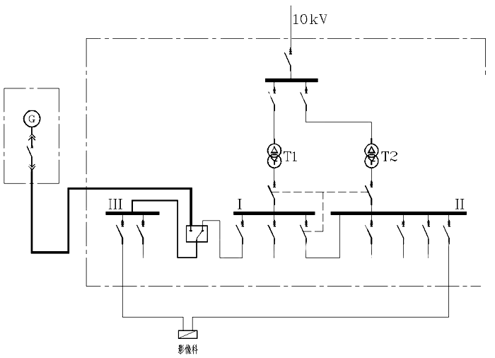
原設計的供電系統框圖如下:

原設計中影像科設備由Ⅱ段、Ⅲ段母線分別引出一條回路進行雙切后供電,而III段母線是由市電、油機兩個獨立電源保證其供電,即所謂的應急母線段;另外雖然變電所內設置有兩臺變壓器,但是其高壓側進線只有一路市電。
從原設計的供電方案分析,不管是市電停電、任意一臺變壓器故障,還是任意一段母線故障或任一條出線電纜故障,都能保證影像科設備的供電,且能滿足恢復供電時間在15s以內,而且這種保障能力與Ⅰ、Ⅱ段母線之間的母聯是否自投沒有關系,實際上我們可以看到,這其實已經滿足一級負荷的供電要求了。
接下來分析,如果影像科的供電采用單回路是否可行?按照新民標GB51348-2019第3.2.11條,我們發現找不到完全對應的條款,其中最接近的是第3款:3 當建筑物由雙重電源供電,且兩臺變壓器低壓側設有母聯開關時,二級符合可由任一段低壓母線單獨供電;
第3款的字面意思背后,個人理解就是在雙重電源中保證任一個電源不停電的前提下,任一臺變壓器故障時,還能通過母聯保證兩段母線都有電,此時二級負荷由單回路供電是可行的。也就是說,在這種前提下,規范考慮了變壓器故障的可能性以及雙重電源其中一個電源停電的可能性,但沒有考慮母線故障以及電纜故障的可能性,當然對于二級負荷來說,這種考慮是有道理的,畢竟母線故障、電纜故障的可能性比外部停電的可能性低得多。
那么,對于這個案例的實際情況,由于新民標3.2.11條并沒有完全對應的合適條款,個人認為從第3款出發,設計師可以適當延申一下。首先發電機和市電可以認為是雙重電源,兩者不會同時停電,其次在不考慮母線故障和電纜故障的前提下,如果從第Ⅲ段母線,也就是應急母線段引出單回路給影像科供電,那么不管是在市電停電,還是在任一臺變壓器故障的情況下,都能保證應急母線段不失電或能在15s之內恢復供電,這與新民標3.2.11條第3款的要求其實內核思想是一致的,那么應該是可以認為滿足了二級負荷的供電需求以及《醫療建筑電氣設計規范》JGJ312-2013對于二級醫院影像科診斷設備的供電要求的。
但是上述供電方案還有一個漏洞需要彌補,就是發電機的起動條件。
原設計的發電機起動條件是“兩臺變壓器的低壓側主進線開關均失壓脫扣時才起動發電機”,這對于原方案來說沒有問題;但是當將影像科改為單回路供電后需要做出一定的修改。
當Ⅰ、Ⅱ段母線之間的母聯開關是自動投切時,其實任一臺變壓器故障是不會長時間導致III段母線失電的,此時發電機的起動條件可以不做變化。
但是我們知道兩段低壓母線之間的母聯自動投切其實需要滿足相當多的條件,比如變壓器的負載率控制,三級負荷的切除、母線是否故障的判斷等等,很多地區電力公司并不推薦低壓母線之間采用自動投切,所以如果當母聯是手動投切時,無論如何不可能滿足15s之內恢復Ⅲ段母線的供電,此時發電機的起動條件需要修改為“當T1變壓器低壓側主進線開關失壓脫扣時,或兩臺變壓器的低壓側主進線開關均失壓脫扣時,均應該起動發電機”。
以上是對于這個案例的一點個人淺見,也許還有考慮不周之處,希望各位同行能提出寶貴意見。
作者:吳斌
