執行短路保護的元件和交流接觸器、熱繼電器之間需要有短路保護協調配合。本文詳細介紹接觸器與執行短路保護的低壓開關電氣之間的協調配合型式試驗和接觸器的SCPD試驗等內容及限制短路電流試驗結果判定規定。
1、接觸器與執行短路保護的低壓開關電器之間的協調配合型式試驗
若電動機主電路引至電機的電纜發生了短路,于是短路電流就流過主電路,包括斷路器、接觸器和熱繼電器,或者熔斷器、接觸器和熱繼電器。短路電路中的斷路器和熔斷器是能夠主動切斷短路電流的,而接觸器和熱繼電器則不能,它們只能承受短路電流的沖擊。我們把斷路器和熔斷器等能夠主動切斷短路電流的元件稱為主動式元件,而把接觸器、熱繼電器等只能承受短路電流的元件稱為被動式元件。
對于電動機主電路而言斷路器或者熔斷器的用途就是執行短路保護;接觸器的任務就是閉合與分斷電路,所以接觸器的最大過載能力在AC-3時是10倍;熱繼電器的任務是對電動機過載執行保護。
當電動機的進線端子前方電纜發生短路時,熔斷器的熔體應該要熔斷。假如電動機回路的輔助電路電源取自于主電路,則此時加載在接觸器線圈兩端的電壓幾乎為零,接觸器就會因此而釋放。如果接觸器的釋放時間小于熔斷器的熔斷時間,或者接觸器的釋放時間小于斷路器的分斷時間,則接觸器將承擔起分斷短路電流的任務。接觸器的分斷能力很低,接觸器的一次觸頭有可能出現嚴重燒蝕損毀,因此一定要杜絕讓接觸器執行短路分斷任務。
昌暉儀表提醒大家要注意的是:雖然由主動元件去分斷短路電流,但是在分斷期間,接觸器一定要能夠承受短路電流的沖擊。這種關系其實也是過電流保護的選擇性。
對于短路電路中的被動元件,要與短路電路中的主動元件之間實現協調配合。 這種協調配合關系的試驗被稱為SCPD,其意義是驗證被動元件在規定的使用和性能條件下與某主動元件的SCPD動作期間,承受預期短路電流的沖擊而不損壞,而且也不能出現事故擴大化。
當某開關電器進行SCPD型式試驗時,要用該開關電器制造廠給出的參數來執行,而且與某開關電器配合的上級過電流保護電器(熔斷器或斷路器)也由制造廠指定。對于SCPD動作時間內某開關電器能夠承受的預期短路電流值也由制造廠指定。
2、接觸器的SCPD試驗電路

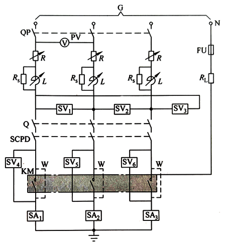
圖1 有關接觸器SCPD的試驗電路
圖1所示為有關接觸器SCPD的試驗電路,圖1中G是電源,PV是交流電壓表,R是可調電阻,L是可調電抗,Rs是分流電阻,SV1~SV6是電壓傳感器,Q是接通開關,SCPD是短路保護電器,KM是被測試接觸器,W是臨時接線,SA~SA3是電流傳感器。
在做SCPD試驗時有兩項內容,即預期電流r測試和預定限制短路電流q測試。對于保護配合協調關系為TYPE1的試驗,每次都允許更換新的元件;對于保護配合協調關系為TYPE2的試驗,當進行r的0-CO試驗時要使用同一臺被測元件,當進行q的0-CO試驗時可以使用新的元件。
3、試驗過程及關系描述
①只有接觸器的限制短路電流試驗預期電流r試驗
◆接觸器KM的控制線圈通電而處于閉合位置,此時SCPD處于閉合位置,接通Q使得短路電流流過被測線路和元件,再有SCPD來分斷短路電流。在此過程中,接觸器KM和SCPD協調配合完成一次分斷操作。
◆Q被接通閉合,SCPD也閉合,接觸器KM處于分斷位置。將接觸器線包帶電使之閉合接通短路電流,再由SCPD分斷短路電流。在此過程中,接觸器KM和SCPD協調配合完成了一次接通和分斷的操作。
②額定限制短路電流q試驗
額定限制短路電流q試驗的過程同r試驗。
③既有接觸器,又有熱繼電器的限制短路電流試驗
我們看圖2。

圖2 熱繼電器與熔斷器的交接電流
對于熱繼電器來說,SCPD試驗是驗證其時間-電流特性曲線與主動式元件(斷路熔斷器的時間-電流特性曲線器或者熔斷器)時間-電流特性曲線交點上的選擇性保護性能及相應的協調配合類型。
圖2中的交點是熱繼電器和熔斷器兩條時間-電流特性曲線的重合點,此點的電流被稱為交接電流Ic0。當電流小于Ic0時,熱繼電器會產生動作;當電流大于Ic0時,應當是熔斷器動作。這里的下限是0.75Ic0,上限是1.25Ic0。
在Ic0的左側,應當由熱繼電器帶動接觸器執行分斷動作;在Ic0的右側,應當由熔斷器或者斷路器執行分斷動作。考慮到試驗誤差后,在型式試驗中確定了兩個試驗點,最小點的試驗電流0.75Ic0和最大點的試驗電流1.25Ico0。
a、最小點和最大點電流測試
試驗從冷態開始。將熱繼電器和接觸器接好,并且使得熱繼電器動作時能夠將接觸器斷開。試驗時接觸器和SCPD閉合,然后接通試驗電流。試驗必須要進行兩次,分別以最小點試驗電流和最大點試驗電流來測試。
b、交接電流Ic0的測試
將試驗電流整定到Ic0,然后通電50ms,間隔時間按不同的電流等級(100~1600A)為10~240s,具體值由試驗站提供的標準關系表決定,然后再重復測試,直到完成3次試驗。
我們來看圖3。

圖3 SCPD試驗中各曲線之間的關系
我們知道,接觸器的耐受過載電流的能力是以時間-電流特性曲線來表示的,見圖3的中間曲線。 左邊的曲線是熱繼電器的時間-電流平均曲線,表明熱繼電器的脫扣時間與過載電流的關系。顯見,當電流小于Ic0時,熱繼電器的曲線必須位于SCPD曲線的左側。一旦越過SCPD曲線,則熱繼電器將會永久性地損壞。
從這里我們也可以進一步看出,熱繼電器和接觸器是短路電流的被動承受者,它們不能去主動地切斷短路電流。雖然接觸器有一定的分斷能力,但根據GB14048.4或者IEC60947-4,接觸器的最大過載電流倍數僅為10倍而已。只有熔斷器或者斷路器才是切斷短路電流的主動元件。
4、限制短路電流試驗結果判定
我們來看國家標準GB 14048.4-2010對保護匹配關系的規定。
標準號:GB 14048.4-2010
標準名稱:低壓開關設備和控制設備 第4-1部分:接觸器和電動機起動器 機電式接觸器和電動機起動器(含電動機保護器)
條目:8.2.5.1條
內容:8.2.5.1短路條件下的性能(額定限制短路電流)
用短路保護電器(SCPD)作為后備保護的接觸器和起動器,以及綜合式起動器,綜合式開關電器、保護式起動器和保護式開關電器,其額定限制短路電流性能,應根據9.3.4所述試驗方法進行驗證。試驗規定為:
a、預期電流“r”,見表13;
b、額定限制短路電流Iq(僅當大于預期電流“r”時,才進行Iq電流試驗)。
SCPD的額定值應適用于任何給定的額定工作電流、額定工作電壓及相應的使用類別。
協調配合類型(保護型式)有如下兩種,其試驗方法見9.2.4.2.1和9.3.4.2.2。
a、“1”型協調配合,要求接觸器或起動器在短路條件下不應對人及設備引起危害,在未修理和更換零件前,允許不能繼續使用;
b、“2”型協調配合,要求接觸器或起動器在短路條件下不應對人及設備引起危害,且應能繼續使用,允許觸頭熔焊,但制造廠應指明關于設備維修所采取的方法。
注:選用不同于制造廠推薦的SCPD時,協調配合可能會無效。
我們再來看SCPD限制短路電流試驗結果的判定:
①SCPD分斷故障電流時熔斷元件FU未熔斷;
②元件的外部絕緣和元器件整體未受到破壞或碎裂;
③按照IEC60947-4定義的對于TYPE1,殼體未擊穿,但接觸器受破壞是允許的,每次試驗后,允許更換接觸器;
④對于TYPE2,只允許接觸器的觸頭發生熔焊,而且用螺釘旋具很容易撥開;短路試驗前后,熱繼電器的電流整定值倍數及脫扣特性不允許被破壞;試驗后,接著做介電試驗,電壓為2Un(不得小于1000V)保持1min。
5、對于SCPD在交接電流協調配合試驗判定
①最小點試驗時SCPD應當不動作,而熱繼電器能將接觸器脫扣。
②最大點試驗時SCPD應當在熱繼電器之前動作,熱繼電器和接觸器的配合關系應當滿足制造廠的規定。
③接觸器和熱繼電器應當能通過介電試驗。
④對于接觸器的時間-電流耐受能力,應當具有如下特性:試驗電流大于Ic0;接觸器的時間-電流特性在電流小于Ic0時應當位于冷態熱繼電器時間-電流特性平均曲線的上方。
