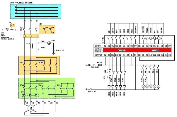
下圖是用PLC構建的電動機星三角起動控制電路:

我們再看它的主程序:

上圖中,TON是PLC內部的通電延時時間模塊。每個模塊的左上側是開關量輸入,左下是延遲時間,圖中均是10毫秒;右上是對應的寄存器,右下是時間延遲終止。
上圖中有許多開關量輸入端,例如斷路器狀態開關量、控制按鈕開關量、交流接觸器狀態開關量等等。之所以要延時,目的是消除開關量輸入時的抖動。
下圖是控制程序:

圖中的程序工作原理在本文就不解釋了。
由以上幾張圖我們看到,PLC的控制與繼電器構建的電路有很大的不同。
1、繼電器控制線路能實現的功能,PLC都能做到;反過來,PLC能做到的功能,繼電器控制線路不一定能做到。
例如圖2的觸點防抖程序,雖然我們也可以用時間繼電器來實現,但對如此眾多的開關量做防抖操作,需要大量的時間繼電器,成本很高,可靠性卻不高。這就是PLC的第一個優點,增加了許多特殊功能。
2、相對繼電器電路,PLC的控制功能更加嚴密,性能更好。但是,PLC程序能看懂的人不多,于是PLC一旦發生問題,檢修困難。
3、相對繼電器電路,PLC能夠方便地實現數據的瞬時采集,以及數據交換。我們看下圖:

上圖是開關量變位和故障的時間標簽SOE程序。SOE程序的測量精度是1毫秒。SOE功能用繼電器很難實現。再看下圖:

類似上圖的功能,繼電器是不可能做到的。
4、相對繼電器電路,PLC當然比較貴。然而它的可靠性高和穩定性好,也是繼電器電路無法比擬的。
主要就是這些。另外再說一點,有的人認為某些領域單片機會逐步替代PLC,這種觀點是錯誤的。PLC其實就是單片機應用系統,但PLC的技術參數比單片機不知高出多少倍。我們在工控現場看到的是各類PLC,而不是專門開發的單片機,為何?其原因就是PLC具有極強的抗干擾能力,即EMC抗電磁騷擾能力。
所謂EMC電磁騷擾,它有兩個方面,第一是電氣產品具有較高的抵御電磁騷擾的能力,第二是電氣產品本身不會產生強電磁騷擾去影響周邊的電磁環境。在電磁騷擾測試中,最難過的是靜電騷擾和EFT電快速脈沖群電磁騷擾。
下面是百度中標題為《EFT電快速脈沖群測試》的文章,介紹電快速脈沖群電磁騷擾測試的情況:
《EFT電快速脈沖群測試》文章的部分原文:
大部分電子產品需要通過電快速瞬變脈沖群(EFT)和靜電放電(ESD)等項目的標準測試。EFT和ESD是兩種典型的突發干擾,EFT信號單脈沖的峰值電壓可高達4kV,上升沿5ns。接觸放電測試時的ESD信號的峰值電壓可高達8kV,上升時間小于1ns。這兩種突發干擾,都具有突發、高壓、寬頻等特征。
電快速瞬變脈沖群是由電感性負載(如繼電器、接觸器產生的傳導干擾、高壓開關切換產生的輻射干擾等)在斷開時,由于開關觸點間隙的絕緣擊穿或觸點彈跳等原因,在斷開處產生的暫態騷擾。當電感性負載多次重復開關,則脈沖群又會以相應的時間間隙多次重復出現。這種暫態騷擾能量較小,一般不會引起設備的損壞,但由于其頻譜分布較寬,所以會對電子、電氣設備的可靠工作產生影響。
電快速速變脈沖群試驗的目的就是為了檢驗電子、電氣設備在遭受這類暫態騷擾影響時的性能。重復快速瞬變試驗是一種將由許多快速瞬變脈沖組成的脈沖群耦合到電氣和電子設備的電源端口、信號和控制端口的試驗。試驗的要點是瞬變的短上升時間、重復率和低能量。
這種試驗是一種耦合到電源線路、控制線路、信號線路上的由許多快速瞬變脈沖組成的脈沖群試驗。此波形不是感性負載斷開的實際波形(感性負載斷開時產生的干擾幅度是遞增的),而實驗所采用的波形使實驗等級更為嚴酷。 電快速脈沖群是由間隔為300ms的連續脈沖串構成,每一個脈沖串持續15ms,由數個無極性的單個脈沖波形組成,單個脈沖的上升沿5ns,持續時間50ns,重復頻率2.5KHz(對4KV測試等級)或5KHz(對其他等級)。根據傅立葉變換,它的頻譜是從5K-100M的離散譜線,每根譜線的距離是脈沖的重復頻率。對 電源端 子選擇耦合/去耦網絡施加干擾,耦合電容為33nF。對I/O信號、數據和控制端口選擇專用容性耦合夾施加干擾,等效藕合電容約為50-200pF。
前者是把電子產品的參考地與儀器的地連接起來,然后再把高電壓加載在電子產品的外殼上,看看電子產品的抵御能力如何。許多時候,甚至電源濾波電容略微高了一點,電子產品當場就拉弧炸毀。
至于電快速脈沖群測試,工業產品必須過三級群脈沖的測試。若是普通的單片機系統當場就燒毀,而PLC若無其事。
為了提高PLC的抗干擾能力,PLC操作系統的基本程序采取讀一條就執行一條的原則,不會原地等待。這樣一來,PLC基本程序很難出現死循環,繼而提高了PLC的抗干擾能力。
至于梯形圖和模塊化的編程語言,它們都是IEC61131下的標準編程高級語言,與PLC操作系統的基本語言無關。
以上這些是PLC必須滿足的基本性能,與程序員沒有任何關系!至于把單片機來代替PLC,純屬外行的幼稚想法和認識罷了。
作者:張白帆
