一、概述
1、概念
浪涌抗擾度主要考察電氣和電子設備對由開關和雷電瞬變過電壓引起的單極性浪涌(沖擊)抗擾度。
2、試驗目的
①建立一個共同的基準,用來評價電氣和電子設備在遭受到浪涌(沖擊)時的性能。通常在實驗室里測試就是模擬雷擊干擾對設備的影響。
②浪涌是沿著電源線或信號線上傳播的快速上升,緩慢下降的電流或電壓。
二、浪涌的產生
1、電力系統開關瞬態
①主要的電力系統切換騷擾,例如電容器的切換;
②配電系統中較小的局部開關動作或負載變化;
③與開關器件(如晶閘管)相關聯的諧振現象;
④各種系統故障,例如設備組合對接地系統的短路和電弧故障。
2、雷電的瞬態
①直擊雷,它擊于外部電路,注入的大電流流過接地電阻或外部電路阻抗而產生的電壓;
②間接雷(即云層之間或云層中的雷擊或擊于附近物體的雷擊產生的電磁場)它在建筑物內、外導體上產生感應電壓和電流;
③附近直接對地放電的雷電電流,當它耦合到設備組合接地系統的公共路徑時產生感應電壓。
3、雷電等級劃分

①LPZ 0A區:本區內的各物體都可能遭到直接雷擊和導走全部雷電流;本區內的電磁場強度沒有衰減。
②LPZ 0B區:本區內的各物體不可能遭到大于所選滾球半徑對應的雷電流直接雷擊,但本區內的電磁場強度沒有衰減。
③LPZ 1區:本區內的各物體不可能遭到直接雷擊,流經各導體的電流比LPZ 0B區更小;本區內的電磁場強度可能衰減,這取決于屏蔽措施。
④LPZ 2后續防雷區:當需要進一步減小流入的電流和電磁場強度時,應增設后續防雷區,并按照需要保護的對象所要求的環境區選擇后續防雷區的要求條件。
三、試驗配置
1、組合波發生器,耦合/去耦網絡和其他輔助設備。
2、組合波發生器分為10/700μs和1.2/50μs兩種,分別對應不同的端口類型。
3、浪涌抗擾度試驗分類
①浪涌電壓抗擾度試驗(開路電壓)
②浪涌電流抗擾度試驗(短路電流)
注:浪涌抗擾度試驗模擬的是間接雷擊,不考慮直擊雷,也不考慮EUT耐高壓的絕緣能力測試。
四、具體測試波形
1、1.2/50μs波形介紹
①組合波發生器的電路原理圖

說明:U為高壓源;Re為充電電阻;Ce為儲能電容;Rs為脈沖持續時間形成電阻;Rm為阻抗匹配電阻;Lr為上升時間形成電阻
組合波發生器的電路原理圖(1.2/50s-8/20μs)
②具體波形圖

波前時間:T1=1.67×T=1.2×(1±30%)μs
半峰時間:T2=50×(1±20%)μs
注:耦合/去耦網絡輸出端的開路電壓波形可能存在較大的下沖
未連接CND的發生器輸出端的開路電壓波形(1.2/50μs)

波前時間:T1=1.25×T=8×(1±20%)μs
半峰時間:T2=20×(1±20%)μs
注:30%的下沖規定只適應用于發生器的輸出端。耦合/去耦網絡輸出端,對下沖或過沖沒有限制
未連接CND的發生器輸出端的短路電壓波形(8/20μs)
2、10/700μs波形介紹
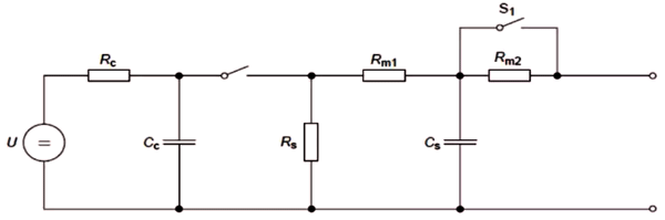
①組合波發生器的電路原理圖

說明:U為高壓源;Rc為充電電阻;Cc為儲能電容;Rs為脈沖持續時間形成電阻;Rm為阻抗匹配電阻;Cs為上升時間形成電容;S1為使用外部匹配電阻時,開關閉合
組合波發生器的電路原理圖(10/700μs)
②具體波形圖

波前時間:T1=1.67×T=10×(1±30%)μs
半峰時間:T2=700×(1±20%)μs
開路電壓波形(10/700μs)(BG/T 16927.1的波形定義)

波前時間:T1=1.25×T=5×(1±20%)μs
半峰時間:T2=320×(1±20%)μs
注:在GB/T 16927.1中,波形規定為5/320μs,而在IEC 60469-1中規定為4/300μs。另外,這個波形是在上圖開關S1打開情況下測量的。
短路電壓波形(5/320μs)(BG/T 16927.1的波形定義)
3、兩種浪涌信號的適用范圍
①對通訊網和長距離信號電路端口,推薦采用10/700μs沖擊波。常見電子設備如RJ45,RS232, XDSL, RS485,安防攝像頭等。
②對交直流電源端口和短距離信號電路端口,推薦采用1.2/50μs沖擊波。常見電子設備如LED照明設備,基站等。
五、常見的設備端口抗浪涌能力測試
1、防雷區域細分圖

2、各接口推薦防護等級
AISG COAXIAL RS485 DC/POWER AC/POWER RJ45 RJ11 VIDEO
LPZ0B-1 8/20μs 8/20μs 8/20μs 8/20μs 8/20μs
5KA 5KA 5KA 5KA 5KA
LPZ0B-2 1.2/50-8/20μs 1.2/50-8/20μs 1.2/50-8/20μs 1.2/50-8/20μs 1.2/50-8/20μs
6KA-3KA 6KA-3KA 6KA-3KA 6KA-3KA 6KA-3KA
LPZ0B-3 10/700μs 10/700μs 10/700μs 1.2/50-8/20μs 1.2/50-8/20μs 10/700μs 10/700μs 10/700μs
4KA、6KA 4KA、6KA 4KA、6KA 6KA-3KA 6KA-3KA 4KA、6KA 4KA、6KA 4KA、6KA
LPZ1 -- 1.2/50μs 1.2/50μs 1.2/50μs 1.2/50μs 1.2/50μs 1.2/50μs 1.2/50μs
2KA、4KA 2KA、4KA 2KA、4KA 2KA、4KA 2KA、4KA 2KA、4KA 2KA、4KA
LPZ2 -- 1.2/50μs 1.2/50μs 1.2/50μs 1.2/50μs 1.2/50μs 1.2/50μs 1.2/50μs
1KA 1KA 1KA、2KA 0.5KA、1KA 1KA 1KA 1KA
以上是個人對于浪涌抗擾度標準的解讀,希望能加深大家對標準的認識,同時也對設計和整改有所幫助。
作者:張小林、詹育云
