三相異步電動機基本控制線路在生產、生活中有非常廣泛的應用。對于這些眾多的應用電路,我們不必每個都親自制作,但需要知道、理解一些典型的三相異步電動機應用電路,以便拓寬視野,在生產實踐中能夠靈活應用。要明白電路的作用,能自行分析電路圖的各功能。遇到不懂的,可以閱讀昌暉的講解。
重載設備的起動控制線路
重載設備的起動過程電流較大, 但起動結束(轉速基本達到額定值)后, 電流就會下降到額定值。用于過載保護的熱繼電器的整定電流值是根據額定電流得出的。為了在起動過程熱繼電器不發生保護動作,我們需要對前面所學的直接起動電路或減壓起動電路進行改動。
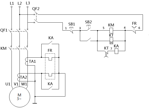
利用電流互感器和中間繼電器來控制重載設備的起動

原理圖解釋:按下起動按鈕SB2(3-5),交流接觸器KM、時間繼電器KT、中間繼電器KA的線圈同時得電,KM的常開觸頭(3-5)閉合,將SB2自鎖(3-5),KT開始延時。與熱繼電器FR的兩只熱元件并聯的KA兩對常開觸頭KA1、KA2閉合,將熱元件短路,以防止重載起動時產生的大電流使FR動作。與此同時,KM的三相主觸頭閉合,電動機得電、起動。隨著電動機轉速的升高,當升到額定轉速時(也就是KT的延時時間結束時),電動機的額定電流降至額定電流以下,KT得電延時斷開的常閉觸頭(5-7)斷開,使KA的線圈失電,KA常開觸頭斷開,將熱繼電器投入到電路進行工作。重載設備起動完畢。
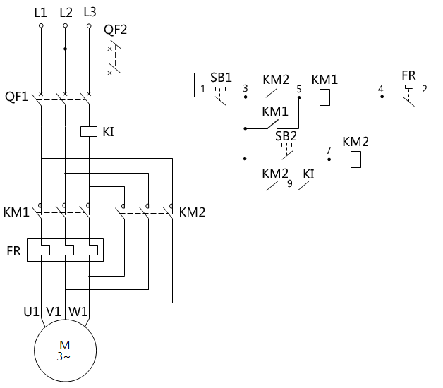
利用電流繼電器來完成重載設備的起動

原理圖解釋:按下起動按鈕SB2(3-7),交流接觸器KM2的線圈得電、吸合,KM2三相主觸頭閉合,使交流接觸器KM1的三個主觸頭和熱繼電器的熱元件被短路,電動機的繞組串入電流繼電器KI開始重載起動過程,此時電動機的電流較大,KI動作,使KI的常開觸頭(7-9)閉合,與KM2的常開觸頭(3-9, 已閉合)串聯,共同對SB2形成自鎖回路,KM2的線圈仍然得電、處于被吸合狀態,KM2的常開輔助觸頭(3-5)閉合,使交流接觸器KM1的線圈得電,KM1的常開輔助觸頭(3-5)閉合自鎖,同時KM1的三相主觸頭閉合,為KM2解除短路做準備。隨著電動機轉速的升高,達到額定轉速時,電動機的電流也降為額定電流,KI發生動作、釋放,KI的常開觸頭(7-9)斷開,使交流接觸器KM2的線圈斷電釋放,KM2的三相主觸頭斷開,解除對熱繼電器FR三相熱元件的短接,同時KM2的常開輔助觸頭(3-5)變為斷開狀態。電動機串入過載保護熱斷電器FR正常運轉,完成了重載起動過程。
典型傳送裝置控制線路
在工地、工廠的生產線,有很多傳送物料的裝置,其控制線路的可靠性、安全性非常重要。通過完成本任務,可掌握設計、制作這類控制裝置的基本方法和技能。
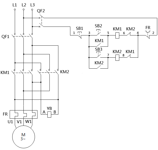
卷揚機控制線路

原理圖解釋:提升時按下正轉的起動按鈕SB2(3-5),交流接觸器KM1線圈得電、吸合,且KM1常開輔助觸頭(3-5)閉合自鎖,KM1三相主觸頭閉合,電動機和電磁抱閘YB線圈同時通電,電磁銜鐵被吸合到鐵心上,銜鐵通過傳動機構使制動器閘瓦松開,電動機得電正轉運轉,電動機拖動裝置上升。
提升過程需停止時,可按下停止按鈕SB1(1-3),正轉交流接觸器KM1線圈失電、釋放,KM1三相主觸頭斷開,電動機失電(靠慣性仍能運轉),但電磁抱閘YB的線圈同時斷電,制動器在彈簧的作用下,使銜鐵離開鐵心,制動器閘瓦抱住電動機的轉軸進行制動,拖動裝置停止。
下降時,按下反轉按鈕SB3(3-7),反轉交流接觸器KM2線圈得電吸合,且KM2的常開輔助觸頭(3-7)閉合自鎖,KM2的三相主觸頭閉合,電動機及電磁抱閘的線圈YB得電,使制動器的閘瓦松開,電動機得電,反轉運行拖動裝置下降。
下降過程需要停止時, 按下停止按鈕SB1(1-3),接觸器KM2的線圈失電,KM2的三相主觸頭斷開,電動機失電,靠慣性可繼續運轉一會兒,但此時電磁抱閘的YB的線圈斷電,導致制動器的閘瓦抱住電動機的轉軸進行制動。拖動裝置停止下降。
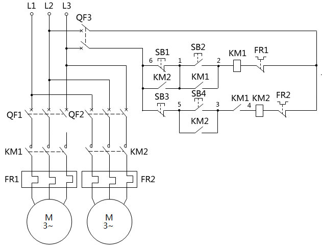
多條傳送帶運送原料控制線路

起動過程:按下起動按鈕SB2,交流接觸器KM1線圈得電、吸合,KM1的輔助常開觸頭(1-2)閉合,對SB2起自鎖作用,電動機M1得電、運轉,第一條傳送帶開始工作,KM1的另一對輔助常開觸頭(3-4)也閉合,為交流接器KM2的線圈接入電路做好了準備。這時,只要按下SB4,第二條傳送帶就能投入運行。可見,只有按下SB2、第一條傳送帶投入運行后,第二傳送帶才能投入運行。當按下SB4,KM2線圈得電,其輔助常開觸頭(5-3)閉合,對SB4起自鎖作用,電動機M2得電、運行,第二條傳送帶投入運行。同時,KM2的輔助常開觸頭(6-1)閉合,使停止按鈕SB1被短路,所以按下 SB1不會使M1停止。
停止過程:當按下停止按鈕SB3,KM2的線圈失電,電動機M2停止,KM2的輔助常開觸頭(6-1)斷開,在該條件下,按下SB1,會使接觸器KM1的線圈失電,電動機M1停止。可以看出,只有當第二條傳送帶停止后,第一條傳送帶才能停下來。
三相異步電動機常用保護電路
三相異步電動機斷相、過熱、過電流等因素會損傷電動機的電氣性能,甚至燒毀電動機的繞組。在很多場合,給電動機加上保護裝置,可延長電動機的使用壽命、提高生產效率。
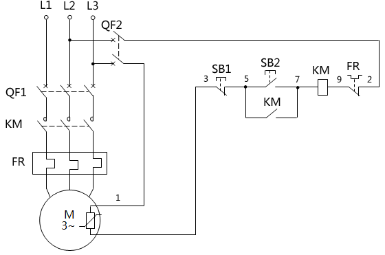
電動機過熱保護控制線路
原理圖解釋:在電動機內設有與交流接觸器線圈串聯的過熱保護器(或溫度電阻),當電動機超溫達到一定的時間,過熱保護器的一對觸頭斷開(或者溫度電阻熔斷),切斷了給交流接觸器線圈的供電,導致電動機失去三相供電而停機。
電動機斷相保護電路
斷相又叫缺相,是指三根相線中有一根斷路。
斷相保護電路原理解釋:閉合QF1,按下起動按鈕SB2,交流接觸器KM的線圈(5-4)得電,使常開主觸頭閉合,電動機得電、運轉,交流接觸器的常開輔助觸頭(3-7)閉合,同時電流繼電器KA1、KA2、KA3線圈得電,使它們的常開觸頭KA1、KA2、KA3閉合,對 SB2 形成自鎖,當三相中任一相斷路時,KA1、KA2、KA3中必有一個失去電壓,其相應的常開觸頭會斷開,使交流接觸器KM線圈失去供電,從而切斷給電動機的供電而停機。
電動機的過電流保護電路

原理圖解釋:該控制線路使用了一個互感器來感應電動機的工作電流。當三相異步電動機的工作電流超過額定電流后,過電流繼電器KI達到吸合電流而吸合,其常閉觸頭斷開,KM線圈失電而釋放,使電動機斷電,起到了保護電動機的作用。
在電動機起動時,電流較大,為了防止過電流繼電器動作,采用時間繼電器的常閉觸頭將互感器短接,待電動機起動完畢,電流降為正常時,時間繼電器KT經延時后動作,其常閉觸頭斷開、常開觸頭閉合,使KI的線圈接入互感器電路中(串聯),實現過電流保護。
相關閱讀
三相異步電動機原理和結構
如何判斷三相異步電動機的磁極對數和轉速
電動機三相繞組的星形接線法和三角形接線法
電機與配套的斷路器/接觸器/熱繼電器參數對照表
