儀表工在最初學習PLC編程時,對啟動、自鎖和停止控制、正/反轉控制、多地控制、定時控制、定時器與計數器組合延長定時控制、多重輸出控制、過載報警控制和閃爍控制的PLC梯形圖及線圖應熟練掌握,昌暉儀表在本文對這8個基本控制線路與梯形圖做詳細分析。
1、啟動、自鎖和停止控制的PLC線路與梯形圖
啟動、自鎖和停止控制是PLC最基本的控制功能。啟動、自鎖和停止控制可采用驅動指令(OUT),也可以采用置位指令(SET、RST)來實現。
①PLC采用線圈驅動指令實現啟動、自鎖和停止控制
線圈驅動(OUT)指令的功能是將輸出線圈與右母線連接,它是一種很常用的指令。

啟動、自鎖和停止控制的PLC接線圖

PLC采用線圈驅動指令實現啟動、自鎖和停止控制的梯形圖
a、當按下啟動按鈕SB1時,PLC內部梯形圖程序中的啟動觸點X000閉合,輸出線圈Y000得電,輸出端子Y0內部硬觸點閉合,Y0端子與COM端子之間內部接通,接觸器線圈KM得電,主電路中的KM主觸點閉合,電動機得電啟動。
b、輸出線圈Y000得電后,除了會使Y000、COM端子之間的硬觸點閉合外,還會使自鎖觸點Y000閉合,在啟動觸點X000斷開后,依靠自鎖觸點閉合可使線圈Y000繼續得電,電動機就會繼續運轉,從而實現自鎖控制功能。
c、當按下停止按鈕SB2時,PLC內部梯形圖程序中的停止觸點X001斷開,輸出線圈Y000失電, Y0、COM端子之間的內部硬觸點斷開,接觸器線圈KM失電,主電路中的KM主觸點斷開,電動機失電停轉。
②PLC采用置位復位指令實現啟動、自鎖和停止控制
采用置位復位指令SET、RST實現啟動、自鎖和停止控制的梯形圖如下圖所示,其PLC接線圖與上圖是一樣的。

PLC采用置位復位指令實現啟動、自鎖和停止控制的梯形圖
a、當按下啟動按鈕SB1時,梯形圖中的啟動觸點X000閉合,[SET Y000]指令執行,指令執行結果將輸出繼電器線圈Y000置1,相當于線圈Y000得電,使Y0、COM端子之間的內部硬觸點接通,接觸器線圈KM得電,主電路中的KM主觸點閉合,電動機得電啟動。
b、線圈Y000置位后,松開啟動按鈕SB1、啟動觸點X000斷開,但線圈Y000仍保持“1”態,即仍維持得電狀態,電動機就會繼續運轉,從而實現自鎖控制功能。
c、當按下停止按鈕SB2時,梯形圖程序中的停止觸點X001閉合,[RST Y000]指令被執行,指令執行結果將輸出線圈Y000復位,相當于線圈Y000失電,Y0、COM端子之間的內部硬觸點斷開,接觸器線圈KM失電,主電路中的KM主觸點斷開,電動機失電停轉。
PLC采用置位復位指令與線圈驅動都可以實現啟動、自鎖和停止控制,兩者的PLC接線都相同,僅給PLC編寫輸入的梯形圖程序不同。
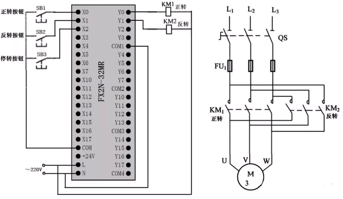
2、正、反轉聯鎖控制的PLC線路與梯形圖

正、反轉聯鎖控制的PLC線路

正、反轉聯鎖控制的梯形圖
a、正轉聯鎖控制:按下正轉按鈕SB1→梯形圖程序中的正轉觸點X000閉合→線圈Y000得電→Y000自鎖觸點閉合,Y000聯鎖觸點斷開,Y0端子與COM端子間的內部硬觸點閉合→Y000自鎖觸點閉合,使線圈Y000在X000觸點斷開后仍可得電;Y000聯鎖觸點斷開,使線圈Y001即使在X001觸點閉合(誤操作SB2引起)時也無法得電,實現聯鎖控制;Y0端子與COM端子間的內部硬觸點閉合,接觸器KM1線圈得電,主電路中的KM1主觸點閉合,電動機得電正轉。
b、反轉聯鎖控制:按下反轉按鈕SB2→梯形圖程序中的反轉觸點X001閉合→線圈Y001得電→Y001自鎖觸點閉合,Y001聯鎖觸點斷開,Y1端子與COM端子間的內部硬觸點閉合→Y001自鎖觸點閉合,使線圈Y001在X001觸點斷開后繼續得電;Y001聯鎖觸點斷開,使線圈Y000即使在X000觸點閉合(誤操作SB1引起)時也無法得電,實現聯鎖控制;Y1端子與COM端子間的內部硬觸點閉合,接觸器KM2線圈得電,主電路中的KM2主觸點閉合,電動機得電反轉。
c、停轉控制:按下停止按鈕SB3→梯形圖程序中的兩個停止觸點X002均斷開→線圈Y000、Y001均失電→接觸器KM1、KM2線圈均失電→主電路中的KM1、KM2主觸點均斷開,電動機失電停轉。
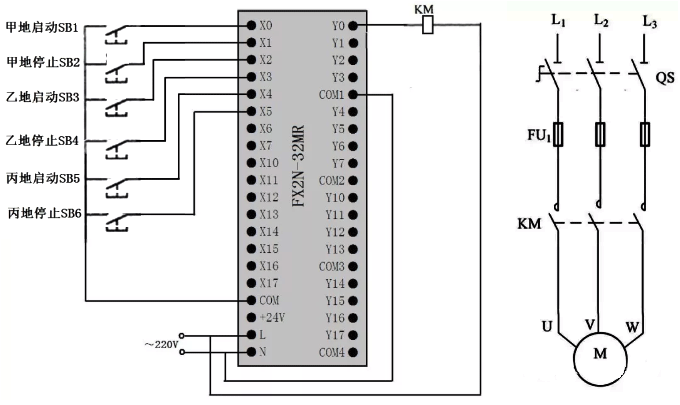
3、多地控制的PLC線路與梯形圖

多地控制的PLC接線圖
①單人多地控制

單人多地控制梯形圖
a、甲地啟動控制。在甲地按下啟動按鈕SB1時→X000常開觸點閉合→線圈Y000得電→Y000常開自鎖觸點閉合,Y0端子內部硬觸點閉合→Y000常開自鎖觸點閉合鎖定Y000線圈供電,Y0端子內部硬觸點閉合使接觸器線圈KM得電→主電路中的KM主觸點閉合,電動機得電運轉。
b、甲地停止控制。在甲地按下停止按鈕SB2時→X001常閉觸點斷開→線圈Y000失電→Y000常開自鎖觸點斷開,Y0端子內部硬觸點斷開→接觸器線圈KM失電→主電路中的KM主觸點斷開,電動機失電停轉。
c、乙地和丙地的啟/停控制與甲地控制相同,利用梯形圖可以實現在任何一地進行啟/停控制,也可以在一地進行啟動,在另一地控制停止。
②多人多地控制

多人多地控制梯形圖
a、啟動控制。在甲、乙、丙三地同時按下按鈕SB1、SB3、SB5→線圈Y000得電→Y000常開自鎖觸點閉合,Y0端子的內部硬觸點閉合→Y000線圈供電鎖定,接觸器線圈KM得電→主電路中的KM主觸點閉合,電動機得電運轉。
b、停止控制。在甲、乙、丙三地按下SB2、SB4、SB6中的某個停止按鈕時→線圈Y000失電→Y000常開自鎖觸點斷開,Y0端子內部硬觸點斷開→Y000常開自鎖觸點斷開使Y000線圈供電切斷,Y0端子的內部硬觸點斷開使接觸器線圈KM失電→主電路中的KM主觸點斷開,電動機失電停轉。
c、上圖的梯形圖可以實現多人在多地同時按下啟動按鈕才能啟動功能,在任意一地都可以進行停止控制。
4、定時控制的PLC線路與梯形圖
定時控制方式很多,下面介紹兩種典型的定時控制的PLC線路與梯形圖。
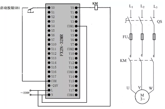
①延時啟動定時運行控制的PLC線路與梯形圖
延時啟動定時運行控制的PLC線路與梯形圖如下圖所示,它可以實現的功能是:按下啟動按鈕3秒鐘后,電動機啟動運行,運行5秒鐘后自動停止。

延時啟動定時運行控制的PLC接線圖

延時啟動定時運行控制的梯形圖

②多定時器組合控制的PLC線路與梯形圖
下圖是一種典型的多定時器組合控制的PLC線路與梯形圖,它可以實現的功能是:按下啟動按鈕后電動機B馬上運行,30秒鐘后電動機A開始運行,70秒后電動機B停轉,100秒后電動機A停轉。

多定時器組合控制的PLC接線圖

多定時器組合控制的梯形圖

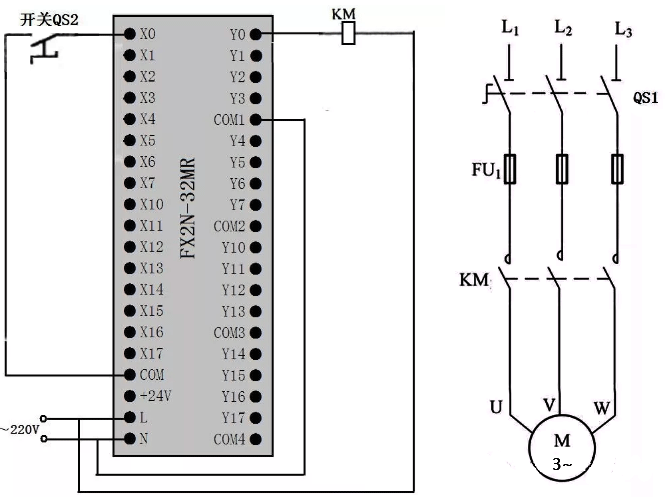
5、定時器與計數器組合延長定時控制的PLC線路與梯形圖
三菱FX系列PLC的最大定時時間為3276.7秒(約54分鐘),采用定時器和計數器可以延長定時時間。

PLC接線圖

定時器與計數器組合延長定時控制的梯形圖

圖中的定時器T0定時單位為0.1s(100ms),它與計數器C0組合使用后,其定時時間T=30000×0.1秒×30000=90000000秒=25000小時。若需重新定時,可將開關QS2斷開,讓[2]X000常閉觸點閉合,讓“RST C0”指令執行,對計數器C0進行復位,然后再閉合QS2,則會重新開始250000小時定時。
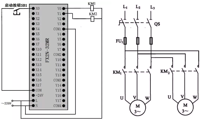
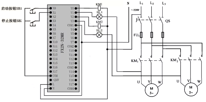
6、多重輸出控制的PLC線路與梯形圖

多重輸出控制的PLC接線圖

多重輸出控制的梯形圖
①啟動控制

②停止控制

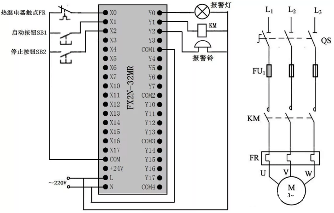
7、過載報警控制的PLC線路與梯形圖

過載報警控制的PLC接線圖

過載報警控制的梯形圖
①啟動控制
按下啟動按鈕SB1→[1]X001常開觸點閉合→[SET Y001]指令執行→Y001線圈被置位,即Y001線圈得電→Y1端子內部硬觸點閉合→接觸器KM線圈得電→KM主觸點閉合→電動機得電運轉。
②停止控制
按下停止按鈕SB2→[2]X002常開觸點閉合→[RST Y001]指令執行→Y001線圈被復位,即Y001線圈失電→Y1端子內部硬觸點斷開→接觸器KM線圈失電→KM主觸點斷開→電動機失電停轉。
③過載保護及報警控制

8、閃爍控制的PLC線路與梯形圖
閃爍控制的PLC接線圖

閃爍控制的梯形圖
將開關QS閉合→X000常開觸點閉合→定時器T0開始3秒鐘計時→3秒鐘后,定時器T0動作,T0常開觸點閉合→定時器T1開始3秒鐘計時,同時Y000得電,Y0端子內部硬觸點閉合,燈HL點亮→3鐘秒鐘后,定時器T1動作,T1常閉觸點斷開→定時器T0復位,T0常開觸點斷開→Y000線圈失電,同時定時器T1復位→Y000線圈失電使燈HL熄滅;定時器T1復位使T1閉合,由于開關QS仍處于閉合,X000常開觸點也處于閉合,定時器T0又重新開始3秒鐘計時。以后重復上述過程,燈HL保持3秒亮、3秒滅的頻率閃爍發光。
文章由無紙記錄儀http://yunrun.com.cn/product/list_70.html整理
推薦閱讀
正轉、正反轉、定時和多地控制等的PLC線路和梯形圖
