對于高性能電機控制編碼器應用而言,通常需要更高的數據速率、更小的RS485收發器封裝和IEC 61000-4-2 ESD保護。ADM3065E/ADM3066E 50Mbps收發器采用節省空間的10引腳LFCSP封裝,可提供±12kV(接觸)和±12kV(空氣)的IEC 61000-4-2 ESD保護功能,為EnDat編碼器提供了一套可靠的解決方案。此外,在ADM3065E/ADM3066E中添加高速穩定的信號和功率隔離可以通過ADuM6401或ADuM6000 及ADuM241D來實現,如云南昌暉儀表制造有限公司在本文所述。
在電池供電系統、井下應用(例如采礦)以及在4-20mA環路中工作的過程控制系統中,往往對低功耗工作模式具有較高需求。微功耗數字隔離器ADuM1441在關斷模式下的靜態功耗低于23μA。ADM3483 3.3V、250kbps RS485收發器的靜態功耗極低,關斷模式下通常僅2nA。

圖1 適合井下應用穩定可靠的低功耗隔離式RS485解決方案
圖1所示為適合井下應用的穩定可靠的低功耗隔離式RS485解決方案。ADM3483和ADuM1441共用可提供一條通往遠程地下測量節點的可靠低功耗鏈路。系統接口卡包括微控制器單元(MCU)、ADuCM3027和集成模擬前端(AFE)AD7124-4,用于遠程溫度和壓力測量。系統接口卡的固件更新通過遠距離RS485電纜提供,更新后能夠在最長1km的遠距離內內實現低數據速率傳輸(例如9.6 kbps))。
1、隔離式高速RS485
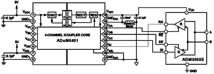
利用iCoupler和isoPower技術,可以向ADM3065E中增添兼具加強絕緣和5kV/rms瞬態耐受電壓的電流隔離。ADuM6401提供了所需的四通道5kV/rms信號隔離、最高25Mbps的工作速率以及集成式DC/DC轉換器。ADuM6401配合ADM3065E(如圖2所示)需將VISO引腳配置為3.3V,具體方法是將VSEL引腳連接到GNDISO引腳,并將5V電源連接到VDD1引腳。在3.3V電壓下工作,即使數據速率達25Mbps,也可以確保ADM3065E仍保持在ADuM6401的負載能力范圍內。

圖2 信號和電源隔離的25Mbps RS485解決方案(簡化圖,未顯示全部連接)
利用ADuM241D四通道數字隔離器和ADuM6000隔離式DC/DC轉換器,可以實現50Mbps數據速率以及ADM3065E隔離,如圖3所示。ADuM241D的數據速率最高可達150Mbps,能夠提供完全支持ADM3065E以50Mbps數據速率工作所需的精確時序。

圖3 信號和電源隔離的50Mbps RS485解決方案(簡化圖,未顯示全部連接)
不過,以50Mbps數據速率工作的前提是使ADM3065E工作在3.3V電壓下。如果需要在5V電壓下工作,可以將ADuM6000上的VSEL引腳連接到VISO,但支持的最大數據速率會降低(例如,<10Mbps)。
ADuM6401和ADuM6000 isoPower器件中的DC/DC轉換器可為ADM3065E(和ADuM241D)提供穩壓隔離電源。這兩款isoPower器件利用高頻開關元件,通過變壓器傳輸功率。用戶必須遵循輻射標準進行印刷電路板(PCB)布局。
2、隔離式低功耗RS485
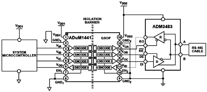
圖4顯示了ADuM1441微功耗、四通道、數字隔離器和ADM3483低功耗、半雙工RS485收發器的組合。當ADM3483處于關斷模式(驅動器使能DE引腳為低電平且接收器使能RE引腳為高電平)時,靜態電源電流通常僅為2nA(最大規范值為1μA)。如圖4所示,ADuM1441的引腳7和引腳10分別連接至GND1和GND2。這意味著當ADuM1441隔離器處于無總線通信活動的關斷模式時,其靜態電流低于23μA。總體來說,該解決方案的靜態功耗低至24μA以下。

圖4 低功耗、隔離式RS485節點
如果ADuM1441的引腳7和引腳10分別直接連接到VDD1和VDD2,則ADuM1441的靜態功耗僅1.2μA。這可以通過PCB上的跳線連接來實現,用戶可以選擇將引腳7連接到VDD1或GND1,還可以選擇將引腳10連接到VDD2或GND2。將ADuM1441中的1.2μA靜態功耗特性添加到ADM3483靜態電源中,可實現一個在關斷或待機模式下僅消耗2μA電流的完全隔離式RS485節點。為了確保隔離器正常工作,ADuM1441的引腳7和引腳10必須分別連接到GND1和GND2。
相關閱讀
如何為應用選擇合適的數字隔離器
數字隔離器設計攻關的七個常見問題
