昌暉儀表網通過兩個變頻器不能啟動的故障處理案例,和大家分享控制電路設計存在缺陷和變頻器參數設置不符合應用要求導致的變頻器不能啟動的原因和處理辦法以及從這些故障處理中總結的經驗。
變頻器不能啟動故障處理案例1
故障設備:JP6C-T9型變頻器。
故障現象:這臺變頻器用于對一臺水泵電動機進行調速,但是變頻器有時可以啟動,有時不能啟動。
診斷分析:
①對變頻器和電動機進行檢查,都在完好狀態。
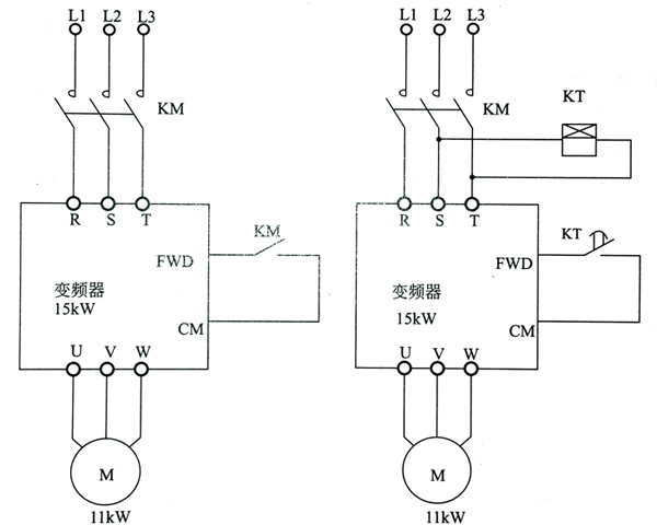
②變頻器的控制電路見圖1A,變頻器的啟動由端子FWD控制。分析認為變頻器的主回路應該提前獲得電源電壓。而現在主接觸器KM的輔助常開觸點接在FWD與CM之間,在輔助觸點閉合、端子FWD得到啟動信號的同時,變頻器主回路才能獲得電源電壓,這說明主回路獲得電源電壓的時間被滯后,導致變頻器啟動困難。

圖1A 圖1B
故障處理:按圖1B進行改進,增加一只時間繼電器KT,用其延時閉合的常開觸點,替代圖1A中KM的輔助常開觸點。這樣主回路提前得到電源電壓,延時2-3s以后,FWD端子才得到啟動信號,保證了變頻器的可靠啟動。
【經驗總結】變頻器是集電工技術和電子技術為一體的電氣設備。異步電動機使用變頻調速技術時,速度調節方便,節約電能,運行穩定可靠,故應用范圍越來越廣泛。但是必須熟悉其性能和控制電路,才能得心應手地進行運用。變頻器啟動回路電氣圖紙設計時應注意:如果變頻器主回路進線電源開關是接觸器,應該增加時間繼電器,延時后才能將啟動信號送變頻器啟動端子FWD端子;如果變頻器主回路進線電源開關是斷路器,先合上斷路器,再將啟動信號送變頻器啟動端子FWD端子。這樣的電路設計,就能避免變頻器不能正常啟動的情況出現
變頻器不能啟動故障處理案例2
故障設備:ABB公司的AC8510-01型變頻器(15kW)。
故障現象:這臺變頻器用于控制冷凍系統中的冷水循環泵(14kW)。在一次停機后,再次啟動冷水循環泵時,變頻器不能啟動。
診斷分析:
①觀察變頻器的顯示,頻率13Hz,轉矩45%,電流由15A慢慢上升到32A,超過了電動機的額定電流(28.8A)。而后這些數字出現跳變現象,電動機不能轉動,并且發出"嗡嗡"的響聲。
②經幾次試驗后,電動機已經發熱,外殼有點燙手。變頻器顯示故障代碼“1”。
③查閱使用說明書,報警代碼“1”'提示電動機過載、加速時間短等故障。
④檢測主回路電源,沒有缺相且電壓正常。
⑤用手盤動循環泵,感到很輕松,不存在過載問題。該冷水循環泵一共有兩臺,一用一備,都是由這臺變頻器控制。于是切換到另外一臺循環泵試車,仍然不能啟動。這說明故障不在循環泵,而是變頻器的問題。
⑥調整加速時間參數(2202#、2205#參數),適當延長啟動加速時間,故障仍未排除。
⑦再次檢查變頻器,發現啟動后輸出電壓只有30V左右,這導致輸出轉矩較小,不能驅動循環泵電動機。
⑧查看原來設置的輸出轉矩參數,正是按照風機、水泵類負載設定的,與現場實際負載相符。
故障處理:根據說明書的提示,對部分控制輸出轉矩的參數進行調整,以增大輸出轉矩,所調整的參數是:
①2101#(啟動方式選擇),原設置為“1”,現改為“4”。
②2110#(轉矩提升電流),原設置為100%,現改為150%。
③2603#(1R補償電壓),原設置為“一”,現改為“12”。
④2605#(在弱磁時電壓/頻率比的形式),原設置為“2”,現改為“1”。
如此調整之后,變頻器恢復正常工作。
