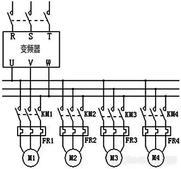
變頻器一拖多同時啟動
在一些控制場合中,現場使用的多臺電動機的運行頻率完全相同,或者多臺相同電機驅動同一負載,需要負荷均衡時,比如大型流水線的電機的運行。為降低設備造價并且提高設備的性能價格比,這時往往會采用一臺容量較大的變頻器拖動多臺電動機。這種控制方式我們叫做同時啟動,用一臺變頻器同時驅動多臺電機同啟同停。

變頻器一拖多分時啟動
還有一些控制場合里一臺機器上有多個驅動軸,并且每個驅動軸啟動時間都是錯開??梢詫⒆冾l器輸出相當于電源了,電機在變頻器的輸出后面進行切換,這種控制場合變頻器一拖多叫做分時啟動,也就是一臺變頻器分別在不同時刻驅動多臺電機,這樣也可以減少變頻器的數量,節省成本。這種控制要注意絕對要保證兩臺電機不允許同時工作,否則將會過載。

一拖多同時啟動控制變頻器選擇
在用一臺變頻器同時控制多臺電機啟動、停止時,由于電機的數量比較多,主要應考慮的問題就是如何計算選擇出型號合適的變頻器??梢愿鶕冾l器下面兩個方面的經驗進行選型。
①變頻器容量選擇
選擇變頻器的額定容量要大于或者等于多臺電機容量之和。
②變頻器電流選擇
變頻器的額定工作電流應大所有電機額定電流的總和的1.2倍以上。多臺電機同時啟動時同時滿足這兩個條件是比較安全。
一拖多同時啟動控制注意事項
在一拖多同時啟動的場合下,變頻器只能使用開環V/F工作模式,其原因是在轉矩矢量控制模式中,變頻器需要檢測電動機的有關參數如定子繞組的電阻、定子繞組的漏電抗等,顯然不適合一拖多同時啟動的情形。
一拖多同時啟動所帶電機的功率之間不能差異太大,一般不要相差二個功率等級以上。異步電機最好是同一個廠家生產制造,同功率的電機,最好是同一批次的,以保證電機特性的一致,最大程度使電機的轉差率一致,以保證良好的同步性能。
充分考慮電機電纜的長度,電纜越長,電纜之間或電纜對地之間的電容也越大,變頻器的輸出電壓含有豐富的高次諧波,所以會形成高頻電容接地電流,對變頻器的運行產生影響。電纜的長度以接在變頻器后的所有電纜的總長度計算。電纜的總長度在變頻器允許的范圍。必要的時候,應在變頻器的輸出端安裝輸出電抗器或輸出濾波器。以補償導線過長分布電容過大造成的漏電流影響。
為了保護電機,單個電機的過載保護需要用戶自己做。每臺電機前應安裝熱繼電器。
對于需要快速制動的應用場合,為了防止停止時產生過電壓,應加制動單元和制動電阻,有的小功率的變頻器已內置制動單元,因此只需接制動電阻即可。
