四路開關量輸入遠程I/O模塊將工業現場的4路開關量分別隔離轉換為數字信號,按照MODBUS RTU規約,通過RS485通訊方式將數字信號提供給YR-9710A、PLC、DCS、上位機等控制器或數據采集系統。開關量輸入遠程I/O模塊完善的隔離設計理念非常適合工業現場的復雜工況,長期穩定性好,每路提供隔離的觸點檢測電源,增加了觸點檢測的可靠性、抗干擾性能優異。
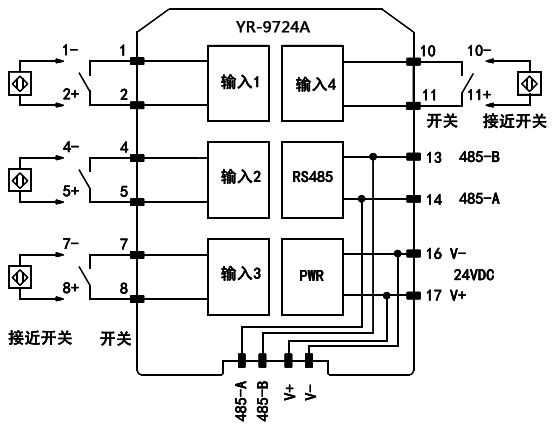
開關量輸入遠程I/O模塊型號:YR-9724A

開關量輸入遠程I/O模塊特點
◆輸入信號之間/通訊/電源間完全隔離
◆每路輸入提供隔離的觸點檢測電源
◆支持帶電熱插拔
◆支持背板導軌和接線端子兩種方式供電和通訊
◆支持MODBUS RTU通訊協議,通訊速率高達115200bps
◆四路開關量輸入遠程I/O模塊與以太網網關YR-9710A配合使用支持MODBUS TCP/IP,簡化安裝和維護流程,提升數據傳輸性能
開關量輸入遠程I/O模塊技術指標
◆供電:24VDC
◆四路開關量輸入遠程I/O模塊輸入信號:觸點及接近開關
◆輸入通道:4路
◆通訊接口:RS485
◆通訊協議:MODBUS RTU
◆響應時間:≤10ms
◆四路開關量輸入遠程I/O模塊組態方式:PC可編程
◆電磁兼容:IEC61326
◆隔離能力:1500VAC
◆工作溫度:-20℃~+60℃
◆存儲溫度:-40℃~+85℃
◆環境濕度:≤95%ARH非凝結
◆防護等級:1P20
◆開關量輸入遠程I/O模塊外形尺寸:17.5×90×110mm(寬×高×深)

◆開關量輸入遠程I/O模塊為低功耗長壽命設計,6年質保,滿足工業現場高可靠性長期穩定運行需求
開關量輸入遠程I/O模塊接線圖

