

繼電器輸出開關量安全柵型號
◆ 型號:YR9110A-EX
危險區開關量輸入,一進一出、獨立DC24V供電、安全區繼電器輸出
◆型號:YR9111A-EX
危險區開關量輸入,一進二出、獨立DC24V供電、安全區繼電器輸出
◆型號:YR9112A-EX
危險區開關量輸入,二進二出、獨立DC24V供電、安全區繼電器輸出
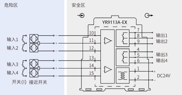
◆型號:YR9113A-EX
危險區開關量輸入,四進四出、獨立DC24V供電、安全區繼電器輸
晶體管輸出開關量安全柵型號
◆型號:YR9115A-EX
危險區開關量輸入,一進一出、獨立DC24V供電、安全區晶體管輸出
◆型號:YR9116A-EX
危險區開關量輸入,一進二出、獨立DC24V供電、安全區體晶管輸出
◆型號:YR9117A-EX
危險區開關量輸入,二進二出、獨立DC24V供電、安全區晶體管輸出
擴展閱讀:請大家參閱技術文章《開關量輸入安全柵的繼電器輸出和晶體管輸出的區別》
開關量安全柵技術規格
◆開關量輸入隔離安全柵工作電源:20-35VDC
◆功耗:約1.0W(一路)
◆現場傳感器側供電電壓:約8V(開路時)
◆信號輸入特性
①現場輸入電流>2.1mA時,表示“ON”
②現場輸入電流<1.2mA時,表示“OFF”
③開關滯后作用:200μs
◆輸出特性
①繼電器輸出特性:響應時間20ms;驅動能力250VAC/2A,30VDC/2A
②晶體管輸出特性:響應時間20ms;驅動能力:輸出電流<20mA(1.2kΩ負載)。最大電流100mA,短路電流保護
◆輸出作用方式
①繼電器輸出:微型撥動開關1和2設置(控制通道1和2),置ON側繼電器常閉輸出,置OFF側繼電器常開輸出
②晶體管輸出:微型撥動開關1和2設置(控制通道1和2),置ON側晶體管輸出“E-C間導通”,置OFF側晶體管輸出“E-C間截止”
◆性能指標
①絕緣強度:本安端/非本安端2500VAC/1分鐘,非本安端間1000VAC/1分鐘
②工作溫度:-20~70℃
③相對濕度:35%-85%
④貯存溫度:-20~80℃
◆開關量安全柵結構及外形尺寸
①產品結構:35mm導軌卡裝式,PC+ABS外殼材料,拔插式端子
②外形尺寸:厚18.3×寬113×高121mm
③產品特點:寬范圍供電,可選擇輸出模式
開關量輸入隔離安全柵防爆認證參數
認證單位:國家防爆電氣產品質量監督檢驗中心
防爆標志:[Exia Ga]ⅡC
認證參數 :Um=250VAC/DC
①YR9110A-EX/YR9111A-EX型端子(10-11) :Uo=10.5VDC,Io=14mA,Po=37mW,Co=1.7uF,Lo=165mH
②YR9112A-EX型端子(10-11、13-14):Uo=10.5VDC,Io=14mA,Po=37mW,Co=1.7uF,Lo=165mH
③YR9113A-EX型端子(10-11、11-12、13-14、14-15):Uo=10.5VDC,Io=14mA,Po=37mW,Co=1.7uF,Lo=165mH
開關量安全柵接線圖
①一入一出/一入二出開關量安全柵(繼電器輸出)接線圖

②二入二出開關量安全柵(繼電器輸出)接線圖

③四入四出開關量安全柵(繼電器輸出)接線圖

④一入一出開關量安全柵(晶閘管輸出)接線圖

⑤一入二出開關量安全柵(晶閘管輸出)接線圖

⑥二入二出開關量安全柵(晶閘管輸出)接線圖

